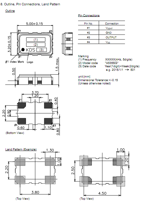
为保证全景运动相机GPS定位功能满足高精度,高稳定性,高抗温度影响特性,一般GPS主控MCU需要一颗外置高精度温补有源晶体振荡器设计,额定频率与主控MCU芯片选型相关,针对19.2MHz高精度温补晶振选型需求,推荐选择必威体育手机版下载网站 公司温补系列的1XTQ19200EUA,是一款高精度TCXO温补晶振,典型输出频率19.2MHz,采用5032小尺寸封装,供电电压范围1.5V-3.3V,常温25±2℃条件下精度达±1.5ppm,工作温度范围-40℃~85℃。



推荐理由如下:
1,高精度:高可靠性;GPS时钟模块的首选,满足高精度,高稳定性,高抗温度影响特性;2,采用5032尺寸封装,有利于小型化设计;3,市场上有成熟的应用设计,产品性能得到验证,高端GPS模块的最佳绝配。
